手动阀
GLV-16
*压力16kg级球墨铸铁制截止阀
*广泛适用于蒸汽、空气、水或油的应用。

Yoshitake
手动阀
*压力16kg级球墨铸铁制截止阀
*广泛适用于蒸汽、空气、水或油的应用。

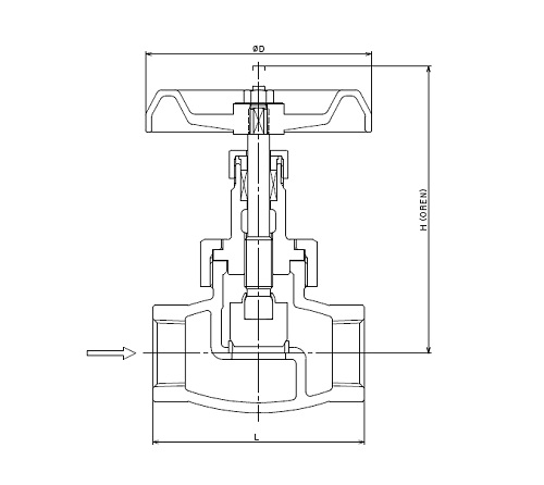
| 种类 | 截止阀, 螺纹型, 16K | |
|---|---|---|
| 类别 | 截止阀 | |
| 仕様 | 产品种类 | 截止阀 |
| 口径 | 15A (1/2") - 50A (2") | |
| 适用流体 | 蒸汽, 空气, 水, 油, 其他非危险性流体 | |
| 连接方式 | JIS Rc 螺纹型/NPT | |
| 最高压力 | 2.2 MPa (※1) | |
| 最高温度 | 220 ℃ (※1) | |
| ※1 | 工作压力和温度之间的关系是根据JIS B2051压力-温度标准。 | |
| 材料 | 阀体 | 球墨铸铁 |
| 阀盖 | 球墨铸铁 | |
| 阀瓣 | 不锈钢(SUS403) | |

| Size | L | H | D | 重量 |
|---|---|---|---|---|
| 15A(1/2") | 75 | 126 | 83 | 0.9 |
| 20A(3/4") | 90 | 135 | 105 | 1.1 |
| 25A(1") | 105 | 150 | 112 | 1.7 |
| 32A(1-1/4") | 120 | 162 | 132 | 2.7 |
| 40A(1-1/2") | 135 | 183 | 132 | 3.8 |
| 50A(2") | 160 | 186 | 132 | 5.6 |
